可视对讲是一套现代化的小康住宅服务措施,提供访客与住户之间双向可视通话,达到图像、语音双重识别从而增加安全可靠性,同时节省大量的时间,提高了工作效率。更重要的是,一旦住家内所安装的门磁开头、红外报警探测器、烟雾探险测器、瓦斯报警器等设备连接到可视对讲系统的保全型室内机上以后,可视对讲系统就升级为一个安全技术防范网路,它可以与住宅小区物业管理中心或小区警卫有线或无线通讯,从而起到防盗、防灾、防煤气泄漏等安全保护作用,为屋主的生命财产安全提供最大程度的保障。
据此,文章设计了一种电路,用于楼宇无线可视对讲。该电路以单片机为控制器核心,再连接外围电路,通过无线数字传输电路来传输视频信号,可以达到50~200m的无线传输距离。优点就是在单张拍摄的基础上,获得图像显示的连续性,从真正意义上实现了图像信号的无线数字传输。
1、整体设计方案
系统结构主要由3部分组成:上位机系统、下位机系统和通信系统。这三部分共同完成了主控制器与分控制器的信息交换,达到楼宇监控的目的。主控制器和分控制器通过无线数字传输模块SRWF进行数据和命令的传输。该通信模型属于一对多的通信模式,其整体方框图如图1所示。

主控制器的主控芯片为AT89C51,通过键盘获得访问的房间号码,确认后,单片机会控制打开视频采集芯片和缓冲芯片进行工作,并在设定的通信波特率的情况下,通过串口通信,由单片机把数据送给数字传输电路,数字传输电路再通过无线信道把数据发送出去。从控制器的主控芯片也使用AT89C51,通过数字传输电路接收主控器的控制信息和数据信息,对接收到的数据进行分类,若是主机发送过来的通信地址信号,从控制器会读取振铃音存储电路里的数据,从而发出振铃音。接下来开始接收视频信号,并通过LCD显示电路显示出来,用户可通过按键控制电路决定是否与主控器进行进一步通话。
2、硬件电路设计
2.1主控制器的电路设计
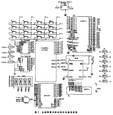
主控制器电路由单片机AT89C51、键盘扫描电路、驱动及数码显示电路、看门狗电路、无线数传电路等几部分组成。主控制器系统的硬件电路原理图如图2所示。

其工作流程如下:先通过键盘扫描电路扫描用户的按键信息,以便获得从机的通信地址,并将按键信息通过4个LED显示出来,以便用户清楚获知自己要访问的从机地址。用户可以通过键盘上的增值、减值、重输,确认修改其输入值。当用户按下确认键的时候,主机存贮此时的从机地址,并开启视频芯片采样视频信号,同时把从机地址通过无线数字传输芯片SRWF发送出去。收到从机的应答信号和准备就绪信号后,主机在设定的波特率下开始发送数据。每发1帧数据就等待从机的应答信号,同时对每帧数据都发送校验帧,以确保数据传输的准确无误。2.1.1视频获取及数传电路
视频获取电路由CAMERA0V7620芯片和IDT7205组成,采用该组合方法是因为视频获取的数据量都比较大,但单片机的工作频率比较低。如果直接搭配则二者不能正常接收。因此,增加缓冲芯片IDT7205,这样通过单片机控制其工作来达到数据量和单片机的匹配,只有单片机允许接收时才使能IDT7205。如果单片机监测到视频芯片的VSYN上跳后,就会在P0.7口输出1,从而开始控制IDT7205从视频芯片获取数据。SRWF模块在使用之前要进行无线信道、接口类型、接口速率、接口参数等的设定,在设置完成后便可以进行数据传输,当模块收到单片机发来的第1个数据后自动进行无线网络连接及数据同步等工作,因此第1个数据将在5个字节时间延迟后从接收方串口输出,如图2所示。
2.1.2LED显示电路
LED显示电路采用动态显示方式显示,由74LS248BCD译码芯片和74LS138译码器组成。采用74LS248的目的是为了节省I/O口资源,以便控制更多的外围芯片。LED的段选数据由通过74LS248译码过来的段选码决定,位选数据由74LS138译码产生。工作的时候首先把按键的值转换为BCD码,再送入P0口的第4位,但是对P0口时整体复制会破坏位选口的数据。此时需进行P0口数据的修正,通过或逻辑运算把位选数据也送入P0口的第4位和第5位,再把修正好的数据送给P0口,此时既有段选数据又有位选数据。要使显示的数据不闪,则需要利用人眼的视觉暂留性,将每个数据显示之间的时间延时控制在10ms以内,这样显示的数字才不闪。LED显示电路如图2所示。
2.1.3键盘扫描电路
键盘扫描部分采用4×4键盘,通过P1口设置扫描电平,先置P1口的低4位中某一位为零,然后读取P1口高4位的电平。P1口的低一位置零即给列线置低,若在P1口的高4位监测到某位为零,则通过行列的位置即可知道按键的部位,在按键过程中存在抖动问题,解决方法有硬件编码键盘和软件编码方式,鉴于成本考虑和AT89C51的高性能考虑本设计采用软件编码方式实现扫描,键盘扫描电路如图2所示。
2.2分控制器的电路设计
分控制器也采用AT89C51单片机作为微处理器,分控制器系统的外围接口电路由晶振、LCD图像显示电路、按键开锁电路、看门狗电路、通信接口电路、存储器等组成。分控制器系统的硬件电路原理图如图3所示。
初始化其接收波特率,并一直处于信息监测状态,当收到地址帧时,就与本身的地址相对比,若不同,则丢弃此帧数据继续检测。若相同,则读取AT24C02芯片存储的乐曲编码,通过P2.1口来控制喇叭发出乐曲音,从而告诉用户,有访客请求进入楼宇。当用户按下键盘上的接听键时,单片机会把从无线数字传输模块接收过来的数据送P0口进行液晶显示。房主看到液晶上的图像时,若认识访客,则按键开锁;若不认识访客,则按挂机键,结束视频通话。视频显示电路的主要工作芯片为TFT6448B。TFT6448B自带数据锁存器,不需要扩展锁存芯片,在选中TFT6448B后,通过往TFT6448B的相应行、列、控制、数据寄存器中写入数据,即可实现单片机AT89C51对TFT6448B的控制显示。
3、软件设计
主机由AT89C51单片机充当,从机为AT89C51单片机。主机与从机的数据通信波特率定为9600B,每个从机都有惟一的地址号,用来区分各从机。单片机的数据通信由串口完成,定时器T1为波特发生器,数据传送格式为1位起始位,8位数据位,1位停止位,1位可编程位(T-B8)。
该系统的通信协议是:所有从机的SM2位置1,处于接收地址帧状态,主机发送一地址帧,其中第8位是地址,第9位是地址/数据的区分标志,该位置1表示该帧为地址帧。所有从机接收到地址帧后,都将接收的地址与本机的地址比较,对于地址相符的从机,使自己的SM2位置O,并把本机地址发回主机作为应答;对于地址不符的从机,仍保持SM2=1,对主机后发来的数据帧不予理睬。从机发送数据结束后,要发送一帧校验和,并置第9位为1,作为从机数据传送结束的标志。主机接收数据时,先判断数据接收标志RB8。若RB8=1,表示数据传送结束,并比较此帧校验和,若正确,则回送正确信号00H,命令该从机复位;若出错,则发送信号OFFH,命令该从机重发数据。若接收帧RB8=0,则将数据存到缓冲区,并准备接受下一帧信息。主机接收到从机的应答地址后,确认地址是否相符,如果地址不符,则发复位信号;如果地址相符,则清TB8=0,开始发送数据。从机收到复位命令后回到监听地址状态,否则开始接受数据和命令。主控制器和从控制器的通信程序流程图如图4和图5所示。
4、系统仿真
将设计的程序在KeilC51μVisiON2开发集成环境上编译成机器语言,进入Proteus的ISIS,鼠标左键点击菜单“Debug”,选“useromotedebugermonitor”,便可实现KeilC与Proteus的连接调试。首先在Proteus中双击单片机AT89C51,将KeilC下编程生成的。HEX文件导入到AT89C51中,可在Proteus中单击全速仿真运行按钮,进行现象查看,能清楚地观察到芯片上每一个引脚的电平变化,红色代表高电平,蓝色代表低电平;如果现象不正确,则在KeilC中单步调试程序,并在Proteus观察现象,哪一步不正确,则对该段的程序进行修改,调试直到仿真完全成功为止。
依次按下扫描键盘上的3个按钮,待3个按钮全部输入后,会在数码管上显示刚才所按的数据,按照按下的顺序显示数字,该数字表示要访问的房间号码,如504表示要访问504房间的主人。该房间号码会提供给单片机用来作为多机通信的地址,仿真结果如图6所示。
在Proteus里用LM4229代替设计中的TFT6448B芯片。仿真的目:用来获得图像显示的编码方式和液晶的单色位图显示功能。LM4229通过CDWRITEREAD三个引脚的电平来确定是读数据还是读状态,或者是写数据还是写命令。其数据引脚为8位,可以与单片机进行直接的数据交换,P2口为液晶显示的控制端,仿真结果如图7所示。
5、结语
本文设计的可视对冲电路可以满足图像信号的连续采集,无线传输图像信号,显示单色位图,振铃呼叫的楼宇无线可视对讲电路的实用要求。文中给出了硬件电路图及主程序流程图,阐述了软硬件设计过程中对关键技术的处理。

该文观点仅代表作者,本站仅提供信息存储空间服务,转载请注明出处。若需了解详细的安防行业方案,或有其它建议反馈,欢迎联系我们。
