加快推进质量变革、效益变革、动力变革,促进钢铁行业实现高质量发展,工业和信息化部依据《国家智能制造标准体系建设指南(2021 版)》,组织编制了《钢铁行业智能制造标准体系建设指南(2023 版)》。
各省、自治区、直辖市工业和信息化主管部门,有关行业协会、标准化技术组织和专业机构:
为切实发挥标准对推动钢铁行业智能制造发展的支撑和引领作用,工业和信息化部依据《国家智能制造标准体系建设指南(2021版)》《“十四五”智能制造发展规划》《“十四五”原材料工业发展规划》等,组织编制了《钢铁行业智能制造标准体系建设指南(2023版)》。现印发给你们,请结合本地区、本行业、本领域实际,在标准化工作中贯彻执行。
标准化工作是实现智能制造的重要技术基础。为指导当前和未来一段时间钢铁行业智能制造标准化工作,解决标准缺失、滞后等问题,加快推进质量变革、效益变革、动力变革,促进钢铁行业实现高质量发展,工业和信息化部依据《国家智能制造标准体系建设指南(2021 版)》,组织编制了《钢铁行业智能制造标准体系建设指南(2023 版)》。
建设目标
到2025年,建立较为完善的钢铁行业智能制造标准体系,累计研制 45 项以上钢铁行业智能制造领域标准,基本覆盖基础共性和装备层、车间层、工厂层、企业层、产业链协同层各层级标准,优先制定基础共性标准以及绿色低碳、产品质量、生产安全等关键应用场景标准,突出标准在先进制造技术与新一代信息技术相互融合和迭代提升过程中的引导作用,积极参与国际标准研制,为世界钢铁工业可持续发展做出中国贡献。
具体内容如下:
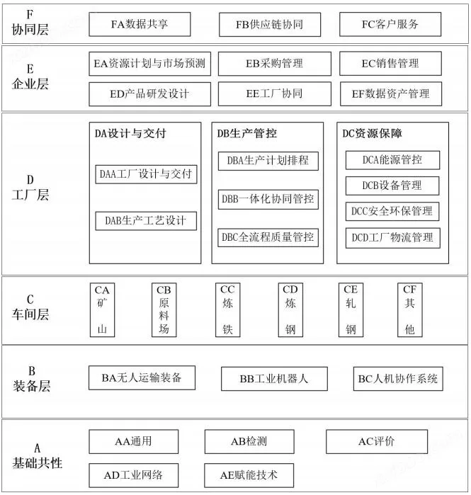
1. A 基础共性标准,位于整个体系结构的底层,是构建体系的基础。包括两个部分:一部分继承国家智能制造标准体系中基础共性标准中通用、检测、评价等内容;另一部分继承国家智能制造标准体系中关键技术的赋能技术、工业网络等内容,并根据钢铁行业基础关键技术需求进行了整合。
2. B—F 层从智能制造系统架构的系统层级维度展开,根据钢铁行业智能制造需求,面向装备、车间、工厂、企业、协同等各层级中多重场景和环节,指导制定智能制造技术应用相关标准。
B 装备层标准主要用于规范单体智能装备的功能、质量、接口和性能提升标准,包括无人运输装备、工业机器人和人机协作系统等标准。
C 车间层标准主要用于规范工序级(车间)业务活动的相关标准,涉及工艺产线管控、生产作业、工序级质量控制、业务集成优化和模型建设等,包括矿山、原料场、炼铁、炼钢、轧钢和其他等标准。
D 工厂层标准主要用于规范工厂或跨工序的钢铁智能工厂设计、生产、管理要求等,支撑钢铁智能工厂建设,包括设计与交付、生产管控、资源保障等标准。
E 企业层标准主要用于指导钢铁企业优化资源配置,规范采购、销售、研发、数据资源等运营管理,实现企业内部深度协同,包括资源计划与市场预测、采购管理、销售管理、产品研发设计、工厂协同、数据资产管理等标准。
F 协同层标准主要用于规范钢铁行业上下游企业间数据共享、多业务协同以及智能服务等要求,包括数据共享、供应链协同、客户服务等标准。
建设内容
(一)基础共性标准
主要包括通用、检测、评价、工业网络、赋能技术 5 个部分。用于统一钢铁行业智能制造术语定义、检测方法、评价方法等基础通用标准,以及钢铁行业在工业网络、赋能技术等方面的共性技术标准。其中,通用、检测、评价内容对应国家智能制造标准体系中“基础共性”部分建设内容,工业网络、赋能技术内容对应国家智能制造标准体系中“智能赋能技术”部分建设内容,本文仅面向钢铁行业的专有需求展开描述。
(二)装备层标准
主要包括无人运输装备、工业机器人和人机协作系统 3个部分。主要用于规范单体智能装备的功能、质量、接口和性能提升标准。
(三)车间层标准
主要用于规范工序级(车间)业务活动的相关标准,涉及工艺产线管控、生产作业、工序级质量控制、业务集成优化和模型建设等,包括矿山、原料场、炼铁、炼钢、轧钢和其他6个部分。
(四)工厂层标准
主要用于规范工厂或跨工序的钢铁智能工厂设计、生产、管理要求等,支撑钢铁智能工厂建设,包括设计与交付、生产管控、资源保障 3 个部分。
(五)企业层标准
主要包括资源计划与市场预测、采购管理、销售管理、产品研发设计、工厂协同、数据资产管理 6 个部分。用于指导钢铁企业优化资源配置,规范采购、销售、研发、数据资源等运营管理,实现企业内部深度协同。
(六)协同层标准
主要包括数据共享、供应链协同、客户服务 3 个部分。用于规范企业内外部的信息互联和共享等系统技术要求,确保跨企业、跨地区资源共享、协同合作。
附件 1
钢铁行业智能制造现行和在研标准研制清单
附件 2
钢铁行业智能制造标准建设重点
全文请下载附件↓
该文观点仅代表作者,本站仅提供信息存储空间服务,转载请注明出处。若需了解详细的安防行业方案,或有其它建议反馈,欢迎联系我们。
