引言
传统的有线防盗报警器都是检测到有盗情的时候只在本地发出警报声音,内部没有控制器,易被破坏失效,安装、扩展也不方便。本文设计的无线防盗报警器利用单片机控制,功能强大,并且易于扩展成多用途的智能家居系统。
1系统硬件电路
1.1总体结构
智能报警系统硬件总体结构如图1所示,主要包括中央控制器、发射接收模块、DTMF(双音多频)模块、语音模块、电话接口模块等。

系统硬件总体结构图
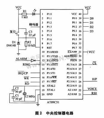
1.2中央控制器
选用AT89C51单片机,电路见图2。P3.2(INT0)连接防盗探测器,用来检测盗情,如果盗情发生,触发外部中断0。P2.1连接语音电路,实现语音的回放控制。P2.3连接电话接口芯片,实现模拟摘挂机控制。P1.0输出模拟远程控制。P1.4连接报警蜂鸣器。P0.0~P0.3分别与MT8888的D0~D3相连,用做数据总线。P2.0与MT8888的RS0相连,控制MT8888内部寄存器的选择。P2.7与MT8888的CS控制MT8888的选通。P3.3(INT1)连接电话接口芯片的24脚,用来检测振铃。P3.6、P3.7分别与MT8888的WR和RD相连,控制MT8888的读写操作。

中央控制器电路
1.3探测器及无线发射、接收电路
探测器选用无线门磁,由一块永磁体和门磁主体(内部有一个常开型的干簧管)两部分组成。无线发射电路包含在门磁主体内,接收部分为超再生模块电路,PT2262/PT2272组成编、解码芯片对。当永磁体离开干簧管一定距离后,探测器立即发射包含地址编码和自身识别码(数据码)的315 MHz高频无线电信号,接收电路通过识别这个无线电信号的地址码来判断是否是同一个报警系统的,然后根据自身识别码,确定是哪一个探测器报警。
1.4 DTMF收发电路
报警器电路与用户电话机共用一条电话线。选用MT8888型DTMF收发器,与单片机及语音电路组合,实现各种电话信号音的检测,进行自动拨号;或者解码远程电话按键信号,传送到单片机,实现远程控制。电路如图3所示。

DTMF收发电路
1.5语音电路
选用ISD1420作为基本录、放音电路,所有的地址线均设置为0,放音的起始地址是0。当按住S3键,录音开始,数据从0地址开始存储,直到存储器满或按键松开为止。当按下S1键,则开始放音。电路见图4。

语音电路
1.6电话接口电路
电话接口电路如图5所示。

电话接口电路
DTMF收发电路、语音电路均需要通过电话接口电路与外界相连,选用PH8809电话接口芯片。
该文观点仅代表作者,本站仅提供信息存储空间服务,转载请注明出处。若需了解详细的安防行业方案,或有其它建议反馈,欢迎联系我们。
