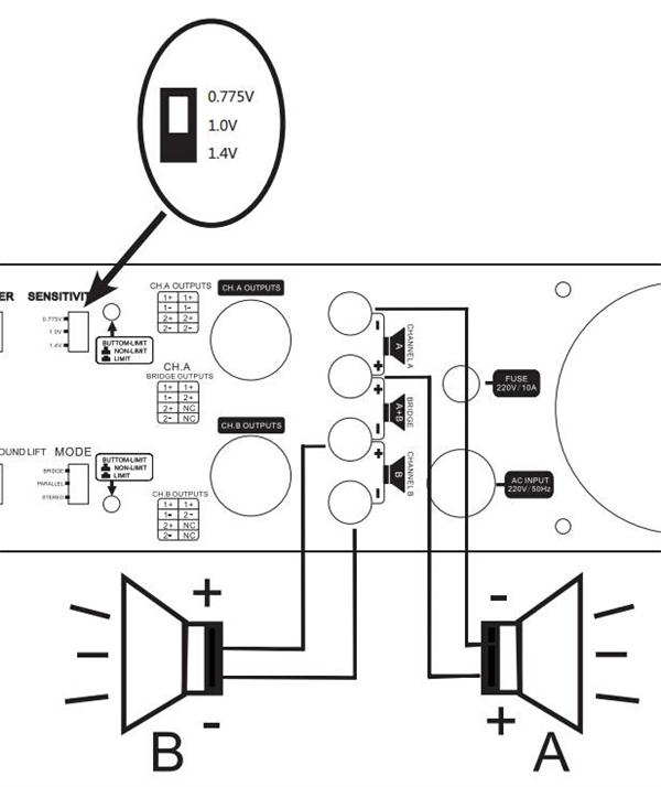
相信各位技术人员在现场施工中,发现功放后面板有个选择开关,分别可以选择三个档位,0.775V、1.0V、1.44V,选择数值越小的档位(在输入信号恒定不变的状态下),输出功率越大。这个数值代表什么含义呢?这个数值作用是什么?今天我们解读这个重要的参数!
这三个档位所对应的数值为输入灵敏度,通常如果没有特殊标注的情况下,这个数值为8欧负载状态下的输入灵敏度。
输入灵敏度的含义:功放输入标称灵敏度所对应的有效值电压,在不启用任何衰减器的情况下,功放输出有效值电压(功率)将达到最大。
例如功放标称8欧800W,后面板标注三个输入灵敏度可选择,正确的含义为:
开关指向0.775V:通常表示输入0.775V的1KHz正弦波的有效值电压,此时功放输出为8欧800W。此状态下功放的放大倍数为 103 倍(电压增益为 40dB ) 。
开关指向1.0V:通常表示输入1.0V的1KHz正弦波的有效值电压,此时功放输出为8欧800W。此状态下功放的放大倍数为 80 倍(电压增益为 38dB ) 。
开关指向1.44V:通常表示输入1.44V的1KHz正弦波的有效值电压,此时功放输出为8欧800W。此状态下功放的放大倍数为 56 倍(电压增益为 35dB ) 。
总结:输入灵敏度选择切换开关的应用功能是改变功放的放大倍数,可以结合上期讨论的前面板衰减旋钮或者按钮进行配合使用,最终目的是获得你希望得到的放大倍数,在噪声最小的状态下获取最大的增益。
注意事项:功放的标注需要严格的测量,但是目前国内部分产品的标注与实际存在误差,建议产品使用前对其进行简单的测量,测量方法是,在功放无负载情况下,输入0.2V、0.5V、1V的1KHz正弦波,测量功放输出电压,然后用输出电压除以输入电压,可以预估功放标称的放大倍数是否与实际相符合,功放无负载与有负载会有一些偏差,功放不同偏差不同,但是偏差范围不会对系统安全有任何影响。
微博:在现场施工中,都会发现功放后面板有个选择开关,可以选择三个档位,分别是0.775V、1.0V、1.44V….
分类:技术文章
该文观点仅代表作者,本站仅提供信息存储空间服务,转载请注明出处。若需了解详细的安防行业方案,或有其它建议反馈,欢迎联系我们。
