明纬推出电源供应器冗余方法与应用

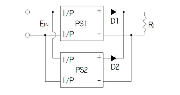
通常设备厂商的设计会如图一的方式,选用2台电源供应器,于输出正端各别串接二极管,再并联接到负载端。这样的设计理念,是当其中一台当机时,另一台仍会持续运转,确保整个设备的稳定性。另外,不建议以选择具并联功能的电源供应器并联来取代备援,因为并联还是有机会因其中一台电源供应器输出端损害短路,造成整个系统异常。

  随着科技日新月异,各种精密仪器设备对于电源的稳定性也越来越注重,例如工业计算机、服务器与电信厂房设备等等。通常设备厂商的设计会如图一的方式,选用2台电源供应器,于输出正端各别串接二极管,再并联接到负载端。这样的设计理念,是当其中一台当机时,另一台仍会持续运转,确保整个设备的稳定性。另外,不建议以选择具并联功能的电源供应器并联来取代备援,因为并联还是有机会因其中一台电源供应器输出端损害短路,造成整个系统异常。
明纬推出电源供应器冗余方法与应用
  图一 使用二极管并联方式
  关于二极管D1与D2的规格挑选,有以下几点要留意:
  如图二中耐压VRRM要大于电源输出电压,以防止电压逆灌。
  如图二中耐流IO建议要大于2倍的电源输出电流,以确保二极管耐受。
  如图二中顺向电压Vf越低越好;若是耐压许可,建议选用萧特基二极管,因为这样Vf会比较低,二极管温度会较低,散热片面积可以比较小。
  另外因为二极管会有损耗产生,并以热的方式呈现,因此还需设计散热片来散热,确保二极管的温度不会超过其耐温。
明纬推出电源供应器冗余方法与应用
  图二 萧特基二极管ESAD83-006R规格
  以上所提到的冗余方式都是要由设备厂商自行设计与验证,但并非所有的厂商都有此能力,设备厂商可以选择有冗余功能的产品,例如UHP系列的冗余选配,或选择搭冗余模块。明纬于早期设计了一款DR-RDN20的电源并联冗余模块,提供备援解决方案,将二极管、散热片以及一些功能做成轨道式的外观,方便于客户组装作冗余应用。
  因为冗余产品需求越来越多,旧款冗余模块的体积与效能无法满足需求,明纬新开发了次世代轨道型可快速挂轨的DRDN20/40系列,并同时规划了采锁螺丝固定的机壳型ERDN20/40系列,新旧世代详细差异如图三所示。
  DRDN20/40及ERDN20/40系列是一系列20A/40A电源并联冗余模块,可搭配电源供应器做冗余,藉以提升整体系统运行稳定度及可靠度,主要特点包含: 可支持系统1+1及1+N冗余、适用5V (仅ERDN20) /12V/24V/48V系统电压、二路DC输入接点与单路输出,内建二路DC OK继电器接点可侦测电源状态、采Mosfet技术可降低热损并减少输入与输出电压之间的压差、-40~+80℃超宽工作温度…..等,适用于需要确保设备不可中断运行的应用场合。
明纬推出电源供应器冗余方法与应用
  图三 新旧世代电源供应器冗于模块差异表
  台湾明纬授权经销商――上海荣普电子有限公司 021-53081266、53081358 www.meanwell-rp.com

该文观点仅代表作者,本站仅提供信息存储空间服务,转载请注明出处。若需了解详细的安防行业方案,或有其它建议反馈,欢迎联系我们

(0)

相关推荐

  • 日本:低成本检测 零级震动的小型传感器模块

    日本东京大学地震研究所的IT强震仪联盟,在“嵌入系统开发技术展(ESEC2008)”的三洋半导体展区,展出了能够以低成本检测相当于0震级的微弱震动的小型传感器模块。此前,可检测微弱震动的地震仪价格高达数百万日元,而此次的传感器模块如果实现量产,价格有可能降至1万日元以下,从而可在建筑物及地面上大量设置。

    2026年3月23日
  • Acrel-5000能源管理系统在上海新虹桥俱乐部项目的应用

    相关地方规范要求“建筑能耗监测系统应作为新建建筑设备设施系统的组成部分,列入建设规划;上海新虹桥俱乐部项目属于大型公共建筑,上海能耗监测设计依据主要是《DGJ68-2068-2012》公共建筑用能监测工程技术规范。

    2026年3月22日 知识
  • 交通诱导系统应用丽水道路监控结构设计

    导读:道路交通LED电子诱导系统主要用于丽水室内的交通信息发布。在中心控制室的管理下,可实时向车主或驾驶员提供天气、路况、交通阻塞及疏导等情况;且可以显示编辑好的各种图形、文字、动画等,以增强交通管理的应变能力。

    2026年3月22日
  • 大数据分析运营实现社区精准管理

    除了前端的感知层外,还需要一整套完整而全面的大数据运营平台进行集中管理。通过物联网前端设备实现各种数据采集,通过大数据平台实现各种数据的汇合,进而借助大数据技术实现数据挖掘,找出有用的信息,进而向终端用户进行内容推荐。

    2026年3月21日
  • 安防认证中心召开居民身份证阅读机具产品认证工作会议

    为便利港澳台居民在内地(大陆)工作、学习、生活,保障港澳台居民合法权益,近日,国务院办公厅印发了《港澳台居民居住证申领发放办法》,按照公安部统一布署,全国公安机关于2018年9月1日正式启动港澳台居民居住证申请发证工作。持港澳台居民居住证在乘高铁、住酒店、办理银行卡等诸多方面拥有与我国现有居民身份证完全一样的功能,因此,要求现有的居民身份证阅读机具必须升级具备自动识读港澳台居民居住证的功能。

    2026年3月21日
  • 云计算核心技术――大规模数据管理

    分布式并行编程模式创立的初衷是更高效地利用软、硬件资源,让用户更快速、更简单地使用应用或服务。在分布式并行编程模式中,后台复杂的任务处理和资源调度对于用户来说是透明的,这样用户体验能够大大提升。MapReduce是当前云计算主流并行编程模式之一。MapReduce模式将任务自动分成多个子任务,通过Map和Reduce两步实现任务在大规模计算节点中的高度与分配。

    2026年3月18日