安科瑞电气凭借多年智能电网用户端产品的深入开发,推出了适用于电动汽车充电站的电气安全、电能计量的产品应用方案。
一、交流充电站产品方案:
交流充电桩一般功率在7kW左右,总进线回路配置电能质量分析仪,对整个充电桩供电回路电能质量进行监测。进线回路同时设置电气火灾监控装置,充电管理控制器,负责充电计费控制;单相导轨式交流电能表,用于充电电能计量,电能数据由充电管理控制器通过RS485通讯口读取;进线侧配置带漏电保护断路器;充电侧配置带电操微型断路器等。
1.1结构图

1.2产品选型

二、小型轿车直流充电桩
小型直流充电桩一般功率在12kW左右,总进线回路配置电能质量分析仪,对整个充电桩供电回路电能质量进行监测。进线回路同时设置电气火灾监控装置,接入火灾监控后台系统。充电回路采用三相供电,其进线配置带漏电保护的微型断路器。充电管理控制器负责外部人机接口,充电控制、读取直流电能表的电能数据,控制直流充电输出断路器的分合闸等。嵌入式直流电能计量表配合外置霍尔传感器或分流器实现对充电电能的计量,霍尔由于其非接触测量和分流器相比,能具有更高的安装便利性和电气安全性能。
2.1结构图

2.2产品选型

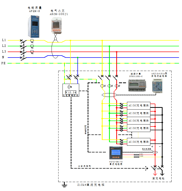
三、电动巴士充电桩
大型电动巴士直流充电桩功率较大,在200kW左右,总进线回路配置电能质量分析仪,对整个充电桩供电回路电能质量进行监测。同时设置电气火灾监控装置,充电回路采用三相供电,其进线采用交流塑壳断路器。三相主回路配置剩余电流继电器,提供间接接触的触电保护。由于此类充电桩消耗功率大,故建议在其三相交流回路配置导轨式电能表用于计量总电能,配合直流电能表对整个充电站的运行效率进行监控。充电管理控制器负责外部人机接口,充电控制、读取直流电能表的电能数据,控制直流充电输出断路器的分合闸等。
3.1结构图

3.2产品选型
该文观点仅代表作者,本站仅提供信息存储空间服务,转载请注明出处。若需了解详细的安防行业方案,或有其它建议反馈,欢迎联系我们。
