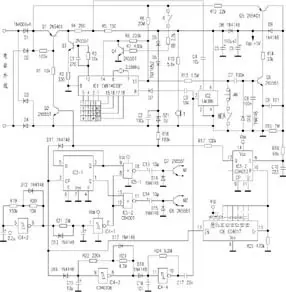
本文介绍一款自行研制的无源监听型电话报警器。除具有同类报警器的主要功能外,其最大特点是无需电源(由电话线提供),且不改变线路特性。因其独特的无源设计,在用于家庭、库房以及无人执守机房等重要场所时,将更加安全、可靠。整机电路见下图。

整机电路
主要功能1.可设置两组报警电话(传呼)号码,能随时更改并长期保存。2.报警时自动将两组号码循环交替拨出(循环次数可调)。3.接听报警时还可对报警现场进行监听。4.执守状况下不影响并联话机的正常呼入、呼出。
原理简介:本报警器主要由以下几部分组成。
1.告警触发与电源形成电路。以用于通信设备报警远传为例简述其工作原理。当通信设备有故障时,作为探头的电器接点将断开,此时,IC1的维持电压通过R13、AN、探头到地的电流改为C7的充电电流使Q6、Q5导通,由R12限流后的外线电压经D9加到C6上形成摘机前的工作电源VDD。在Q5导通的同时,由R16为报警触发器IC3-2的S端送触发信号,令IC3-2置位,其Q端输出的高电平经R17使Q2、Q1导通实现自动摘机,并由D8取代D9为控制电路提供后续电源VDD。
2.模拟电话电路。本电路的作用是完成摘机与拨号任务并为控制电路提供后续电源。主要由IC1及部分散件完成。正常情况下,电话外线经D1~D4定向后加到Q1上,并由R8为IC1的电源端提供维持电压。当出现警情时,由报警触发器送来的摘机信号将使Q1、Q2导通,实现自动摘机。摘机电压一方面经R4、R5、D5、D6为IC1提供工作电源,同时经R7使Q4导通,将IC1的启动端{14}脚接地为拨号做准备。此时循环拨号控制电路送来的拨号指令(相当按紧急拨号键M1或M2),将存在M1或M2记忆键里的号码由IC1的{12}脚以双音多频信号输出,并经Q3放大后发送出去。
3.循环拨号控制电路。当工作电源VDD形成时,由六施密特反向器之一的IC4-2和R19、R20、D12、C11组成的循环拨号振荡器以60秒高电平、2秒低电平的方式首先输出高电平,其作用之一是为特殊接法的“D”型触发器IC3-1的CP端提供分频信号,首先使IC3-1的Q端输出低电平,作为选通电平送入二输入端或非门IC5-2。作用之二是经R21和C12延时后,由IC4-1反向为低电平作为拨号时钟也送入IC5。当IC5-2的输入端均为低电平时,其输出的高电平将为C14充电。此充电电流将使与M2并联的Q8瞬间导通而送出拨号指令(相当按M2键),将存在记忆键M2中的号码发送出去。拨号后,循环拨号振荡器将提供约60秒的接听报警和监听现场的时间。60秒后,当IC4-2输出低电平时,将使D11导通,迫使Q2、Q1截止实现挂机,结束第一次拨叫。2秒后,IC4-2再次输出高电平时,D11将截止,解除对Q2、Q1的牵制。从而使Q2、Q1重新导通,实现二次摘机并重复上述过程(循环次数由选择IC6的输出端决定),直到系统复位。区别只是Q7、Q8交替导通,实现两号码交替拨出以提高报警成功率。
4.报警音产生与监听电路。当IC4-2输出高电平时,将使D16截止,令由IC4-3等组成的报警音控制电路工作。其{8}脚将以输出5秒高电平、1秒低电平的方式去控制IC4-4等组成的报警音振荡器,令其每4秒启振一次,并由C17将报警音送入音频放大器IC2放大。放大后的信号由C4馈入线路传送给被叫。在被叫接听报警音的间隙里就可听到由“T”拾取的报警现场的声音,以便做出正确判断。图中D7的作用是在IC1拨号时,消音端{8}脚输出低电平,将“T”接地,以防现场大的噪音干扰准确拨号。
5.复位电路。IC4-2每次输出的低电平可作为十进制计数分频器IC6的计数脉冲,当计数脉冲与选定的输出端(Y4~Y9)对应时,该脚将输出高电平,使IC3-2以及自身置“0”,IC3-2的Q端变为低电平后,将使Q2、Q1截止,实现挂机。几秒钟后由于D8不能提供后续电流,C6上存储的电压耗尽时,系统将恢复到执守状态,等待下次报警。
几点说明:
1.报警号码的设定:闭合K后依次键入ST、电话号码、断开K。
2.AN是紧急人工报警按钮,兼作试验按钮。
3.用于其他报警时,探头可采用如磁控、光控、红外等方式,只要能转换成低阻环路且满足电隔离即可。
4.图中IC1取自废弃话机,其他元件多处可邮购。
该文观点仅代表作者,本站仅提供信息存储空间服务,转载请注明出处。若需了解详细的安防行业方案,或有其它建议反馈,欢迎联系我们。
