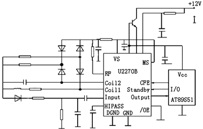
1U2270B在系统中的应用
U2270B是非接触识别系统中典型的一种低频读写基站芯片,它是应答器和单片机之间的接口。一方面向应答器传输能量、交换数据,另一方面负责应答器和单片机的数据通信。本系统的射频电路如图4所示。

图4系统射频电路图
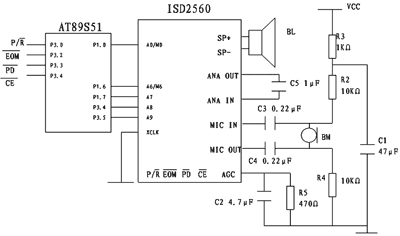
2AT89S51与ISD2560的通信
语音报警电路以美国ISD公司生产的语音合成芯片ISD2560为核心,该芯片采用EEPROM将模拟语音信号直接写入半导体存储单元中,无须另加A/D或D/A变换来存放或重放。该器件有音质自然、使用方便、单片存放、反复录音、低功耗等许多特点。车主开车时,如果应答器里面的密钥正确,单片机就发出正确的信号给汽车电子点火系统,汽车才可以启动,此时语音报警电路不工作;如果有人非法用配置钥匙启动汽车时,单片机就发出信号给语音系统,语音系统立刻发出报警声音。
在实际电路设计时,将单片机AT89S51的P1口、P3.4和P3.5与ISD2560的地址线相连,用以设置语音段的起始地址。P3.0~P3.3用以控制录放音状态。AT89S51与ISD2560的接口电路如图5所示。

图5AT89S51与ISD2560接口电路
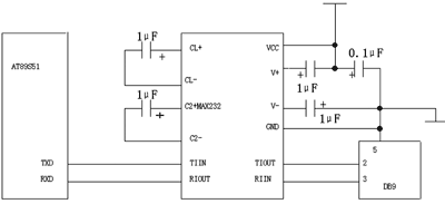
3AT89S51与MAX232的通信
在PC中一般有两个标准RS-232C串行接口COM1和COM2。该标准规定最高数据传送速率可达19.2Kb/s,最长传送电缆可达15m。RS-232C标准的电平采用负逻辑,规定+3~+15V之间的任意电平为逻辑“0”电平,-3~-15V之间的任意电平为逻辑“1”电平,与TTL和CMOS电平是不同的。在接口电路和计算机接口芯片中大都为TTL或CMOS电平,所以在通信时,必须进行电平转换,以便与RS-232C标准的电平匹配。MAX232芯片可以完成电平转换这一工作。
MAX232芯片是Maxim公司生产的低功耗、单电源双RS232发送/接收器,它的内部有一个电源电压变换器,可以把输入的+5V电源变换成RS-232C输出电平所需±10V电压,所以采用此芯片接口的串行通信系统只要单一的+5V电源就可以了。AT89S51与MAX232的接口电路如图6所示。

图6AT89S51与MAX232的接口电路
软件系统设计
系统软件设计包括读卡软件设计、写卡软件设计、语音报警程序设计和串行通信程序设计等。下面给出读卡软件的具体设计方案。
IC卡发射数据由基站天线接收后,由U2270B处理后经基站的Output脚把得到的数据流发给微处理器AT89S51的输入口。这里基站只完成信号的接收和整流的工作,而信号的解调解码的工作要由微处理器来完成。微处理器要根据输入信号在高电平、低电平的持续时间来模拟时序进行解码操作。
该文观点仅代表作者,本站仅提供信息存储空间服务,转载请注明出处。若需了解详细的安防行业方案,或有其它建议反馈,欢迎联系我们。
